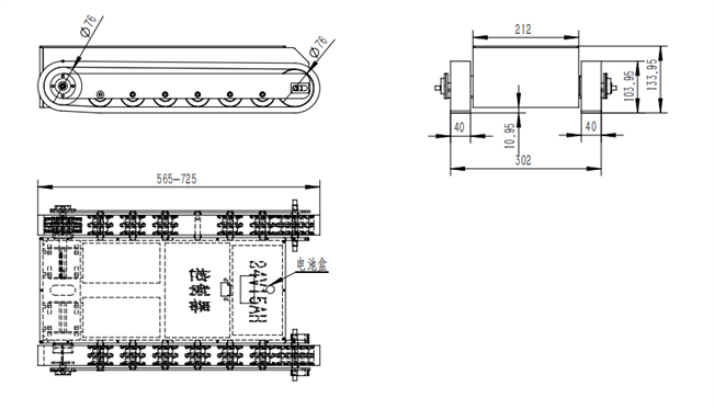
橡膠履帶底盤長700mm左右,履帶底盤寬340mm左右,履帶底盤高110mm左右,整車采用6061鋁合金箱體焊接,材質輕,耐腐濁,履帶車搭載24v200W直流永磁無刷電機,渦輪蝸桿減速機,動力強,體積小,防水性能好,越野性能強,可用于管道清淤,偵查、巡檢等場景。


橡膠履帶底盤長700mm左右,履帶底盤寬340mm左右,履帶底盤高110mm左右,整車采用6061鋁合金箱體焊接,材質輕,耐腐濁,履帶車搭載24v200W直流永磁無刷電機,渦輪蝸桿減速機,動力強,體積小,防水性能好,越野性能強,可用于管道清淤,偵查、巡檢等場景。


若您有合作意向,請您為我們留言或使用以下方式聯系我們,我們將盡快給您回復,并為您提供真誠的服務!